Skip to content

Học tập lớp 12

  • Trắc nghiệm Holland
  • Tính điểm xét tuyển
  • Danh sách trường Đại học
  • Kết quả bài thi

Học tập lớp 12

  • Home » 
  • Vật lí Lớp 11

Giải SBT Vật lí 11 (Kết nối tri thức) Bài tập cuối chương 4 trang 64

By Admin Lop12.com 24/02/2026 0

Sách bài tập Vật lí 11 Bài tập cuối chương 4 trang 64

Giải SBT Vật lí 11 trang 64

Câu IV.1 trang 64 SBT Vật Lí 11: Số electron dịch chuyển qua tiết diện thẳng của dây trong thời gian 2 s là 6,25.1018. Khi đó dòng điện qua dây dẫn có cường độ là

A. 1 A.

B. 2 A.

C. 1,25 A.

D. 0,5 A.

Lời giải:

Đáp án đúng là D

Cường độ dòng điện I=qt=6,25.1018.1,6.10−192=0,5A

Câu IV.2 trang 64 SBT Vật Lí 11: Số electron đi qua tiết diện thẳng của một dây dẫn kim loại trong 1 s là 1,25.1019. Biết rằng dòng điện không đổi, điện lượng đi qua tiết diện đó trong 15 giây là

A. 10 C.

B. 20 C.

C. 30 C.

D. 40 C.

Lời giải:

Đáp án đúng là C

Điện lượng cần tìm q = 1,25.1019.1,6.10-19.15 = 30C

Câu IV.3 trang 64 SBT Vật Lí 11: Cường độ dòng điện chạy qua tiết diện thẳng của dây dẫn là 1,5 A. Trong khoảng thời gian 3 s thì điện lượng chuyển qua tiết diện dây là

A. 0,5 C.

B. 2,0 C.

C. 4,5 C.

D. 5,4 C.

Lời giải:

Đáp án đúng là C

Điện lượng cần tìm q = It = 1,5.3 = 4,5C

Câu IV.4 trang 64 SBT Vật Lí 11: Cho một dòng điện không đổi chạy qua một dây dẫn, trong 10 s, điện lượng chuyển qua tiết diện thẳng của dây dẫn là 2C. Sau 60 s điện lượng chuyển qua tiết diện thẳng đó là

A. 6C.

B. 12C.

C. 60C.

D. 20C.

Lời giải:

Đáp án đúng là B

Điện lượng cần tìm q=210.60=12C

Câu IV.5 trang 64 SBT Vật Lí 11: Cường độ dòng điện chạy qua điện trở R = 5Ω là 0,5A. Hiệu điện thế giữa hai đầu điện trở là

A. 2,5V.

B. 25V.

C. 0,5V.

D. 10V.

Lời giải:

Đáp án đúng là A

Hiệu điện thế cần tìm U = I.R = 0,5.5 = 2,5V

Giải SBT Vật lí 11 trang 65

Câu IV.6 trang 65 SBT Vật Lí 11: Đặt một hiệu điện thế U = 12V vào hai đầu một điện trở, cường độ dòng điện chạy qua điện trở là 2A. Nếu tăng hiệu điện thế lên hai lần thì cường độ dòng điện có giá trị

A. 4A.

B. 2A.

C. 1,2A.

D. 0,24A.

Lời giải:

Đáp án đúng là A

Hiệu điện thế tăng 2 lần thì cường độ dòng điện tăng 2 lần.

Câu IV.7 trang 65 SBT Vật Lí 11: Đặt vào hai đầu một điện trở R một hiệu điện thế U – 12V, cường độ dòng điện chạy qua điện trở là 1,5A. Nếu giữ nguyên hiệu điện thế nhưng muốn cường độ dòng điện chạy qua điện trở là giảm đi 0,5A thì ta phải tăng giá trị điện trở thêm một lượng là

A. 5,0Ω.

B. 4,5Ω.

C. 4,0Ω.

D. 5,5Ω.

Lời giải:

Đáp án đúng là C

Điện trở ban đầu: R1=U1I1=121,5=8Ω

Điện trở lức sau: R2=U2I2=U1I1−0,5=121,5−0,5=12Ω

Điện trở tăng thêm 1 lượng 4Ω

Câu IV.8 trang 65 SBT Vật Lí 11: Khi đặt hiệu điện thế U = 8V vào hai đầu một dây dẫn thì dòng điện chạy qua dây có cường độ I = 0,2A. Nếu tăng hiệu điện thế thêm 4V thì dòng điện chạy qua dây dẫn khi đó có cường độ là

A. 0,2A.

B. 0,3 A.

C. 0,4 A.

D. 0,8 A.

Lời giải:

Đáp án đúng là B

Cường độ dòng điện cần tìm I2=U2R=U2U1I1=8+480,2=0,3A

Câu IV.9 trang 65 SBT Vật Lí 11: Công của lực lạ làm di chuyển điện tích 4C từ cực âm đến cực dương bên trong nguồn điện là 24J. Suất điện động của nguồn là

A. 0,16V.

B. 6V.

C. 96V.

D. 0,6V.

Lời giải:

Đáp án đúng là B

Suất điện động E=Aq=244=6V

Câu IV.10 trang 65 SBT Vật Lí 11: Suất điện động của một nguồn điện là 1,5V, lực lạ làm di chuyển điện tích thực hiện một công 6 mJ. Lượng điện tích dịch chuyển khi đó là

A. 15.10-3C.

B. 4.10-3C.

C. 0,5.10-3C.

D. 1,5.10-3C.

Lời giải:

Đáp án đúng là B

Lượng điện tích dịch chuyển q=AE=6.10−31,5=4.10−3C

Câu IV.11 trang 65 SBT Vật Lí 11: Một nguồn điện có suất điện động 24 V. Để chuyển một điện lượng 10 C qua nguồn thì lực lạ phải sinh một công là

A. 100 J.

B. 2,4 J.

C. 24 J.

D. 240 J.

Lời giải:

Đáp án đúng là D

Công cần tìm A = qE = 10.24 = 240J

Câu IV.12 trang 65 SBT Vật Lí 11: Một nguồn điện có suất điện động không đổi, để chuyển một điện lượng 5 C thì lực lạ phải sinh một công là 20 mJ. Để chuyển một điện lượng 10 C qua nguồn thì lực lạ phải sinh một công là

A. 10 mJ.

B. 15 mJ.

C. 20 mJ.

D. 40 mJ.

Lời giải:

Đáp án đúng là D

Công lực lạ A=10.20.10−35=40.10−3J

Câu IV.13 trang 65 SBT Vật Lí 11: Một acquy có ghi thông số 12 V – 20 Ah. Thông số này cho biết

A. điện lượng cực đại của acquy là 7200 C.

B. điện trở trong của acquy là 0,16 Ω.

C. dòng điện lớn nhất mà acquy có thể cung cấp là 20 A.

D. năng lượng dự trữ của acquy là 12.106J.

Lời giải:

Đáp án đúng là C

20 Ah có nghĩa là acquy cấp dòng điện 20 A trong vòng 1 giờ.

Điện lượng cực đại của acquy q = It = 20.3600 = 72000 C.

Điện trở trong acquy R=UI=1220=0,6Ω

Năng lượng dự trữ W = UIt = 12.20.3600 = 864000J.

Câu IV.14 trang 65 SBT Vật Lí 11: Công suất điện cho biết

A. khả năng thực hiện công của dòng điện.

B. năng lượng của dòng điện.

C. lượng điện năng sử dụng trong một đơn vị thời gian.

D. mức độ mạnh – yếu của dòng điện.

Lời giải:

Đáp án đúng là C

Giải SBT Vật lí 11 trang 66

Câu IV.15 trang 66 SBT Vật Lí 11: Trên các thiết bị điện gia dụng thường có ghi 220V và số oát (W). Số oát này có ý nghĩa gì?

A. Công suất tiêu thụ điện của dụng cụ khi nó được sử dụng với những hiệu điện thế nhỏ hơn 220V.

B. Công suất tiêu thụ điện của dụng cụ khi nó được sử dụng với đúng hiệu điện thế 220V.

C. Công mà dòng điện thực hiện trong một phút khi dụng cụ này được sử dụng với đúng hiệu điện thế 220V.

D. Điện năng mà dụng cụ tiêu thụ trong một giờ khi nó được sử dụng với đúng hiệu điện thế 220V.

Lời giải:

Đáp án đúng là B

Số oát có ý nghĩa là công suất tiêu thụ điện của dụng cụ khi nó được sử dụng với đúng hiệu điện thế 220V.

Câu IV.16 trang 66 SBT Vật Lí 11: Công suất định mức của các dụng cụ điện là

A. công suất lớn nhất mà dụng cụ đó có thể đạt được.

B. công suất tối thiểu mà dụng cụ đó có thể đạt được.

C. công suất đạt được khi nó hoạt động bình thường.

D. công suất trung bình của dụng cụ đó.

Lời giải:

Đáp án đúng là C

Công suất định mức của các dụng cụ điện là công suất đạt được khi nó hoạt động bình thường.

Câu IV.17 trang 66 SBT Vật Lí 11: Tính tốc độ dịch chuyển có hướng của electron trong một dây đồng tiết diện thẳng 1 mm2 có dòng điện 1A chạy qua. Cho biết khối lượng riêng của đồng ρ=9.103kg/m3 và mỗi nguyên tử đồng cho một electron tự do.

Lời giải:

Từ khối lượng riêng ta suy ra được số mol trong 1 m3 đồng là ρA, với A là nguyên tử lượng của đồng. Số electron tự do trong 1 m3 đồng là: n=ρANA=8,4.1028electron.

Tốc độ của electron tự do là: v=ISne=7,4.10−5m/s.

Câu IV.18 trang 66 SBT Vật Lí 11: Bạc có khối lượng riêng 10,5 g/cm3 và mỗi nguyên tử cho một electron tự do. Dây bạc hình trụ có đường kính bằng bao nhiêu nếu dòng điện chạy trong dây bạc có cường độ I = 1A, tốc độ dịch chuyển có hướng của các electron tự do là 3,4.10-5 m/s.

Lời giải:

Số electron trong 1 m3 bạc là: n=ρA.NA=10500108⋅10−3.6,02.1023=5,85.1028

Áp dụng công thức: I=Snev=πd2nev4⇒d=4Iπnev=0,135.10−2m.

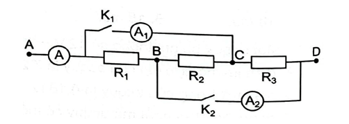
Câu IV.19 trang 66 SBT Vật Lí 11: Cho mạch điện như Hình IV1. Biết giá trị các điện trở: R1=4Ω, R2=6Ω,R3=12Ω. Hiệu điện thế giữa hai đầu đoạn mạch UAD=6V. Giả sử điện trở của dây nối và của ampe kế không đáng kể. Tính số chỉ của ampe kế khi:

Cho mạch điện như Hình IV1. Biết giá trị các điện trở R1 = 4Ω

Hình IV.1

a) K1 ngắt, K2 đóng.

c) K1, K2 đều ngắt.

b) K1 đóng, K2 ngắt.

d) K1, K2 đều đóng.

Lời giải:

a) Khi khoá K1 ngắt, K2 đóng ta có:

R2, R3 bị nối tắt, mạch chỉ còn R1. Số chỉ ampe kế A và A2 là

IA=IA2=UADR1=64=1,5A

b) K1 đóng, K2 ngắt ta có: R1, R2 bị nối tắt, mạch chỉ còn R3. Số chỉ ampe kế A và A2 là: IA=IA2=UADR3=612=0,5A.

c) Khi K1 và K2 đều ngắt thì R1 nt R2 nt R3, ta tính được RAD=R1+R2+R3=22Ω.

Ampe kế A chỉ 622≈0,2A; ampe kế A1 chỉ 0 ; ampe kế A2 chỉ 0 .

d) Khi K1, K2 đều đóng.

Ta có R1//R2//R3, ta tính được RAD=R1R2R3R1R2+R2R3+R1R3=2Ω.

Ampe kế A chỉ 3A; ampe kế A1 chỉ 1,5A; ampe kế A2 chỉ 2,5 A.

Giải SBT Vật lí 11 trang 67

Câu IV.20 trang 67 SBT Vật Lí 11: Một dây điện trở có thể làm 500 mL nước tăng nhiệt độ thêm 60o trong 5 phút khi hoạt động ở hiệu điện thế 220 V. Biết nhiệt dung riêng của nước là 4180 J/kg.K.

a) Tính công suất toả nhiệt của điện trở.

b) Cường độ dòng điện qua điện trở là bao nhiêu?

Lời giải:

Nhiệt lượng nước thu được: Q = mc.∆t – 0,5.4.18.103.60 = 125400J.

a) Nhiệt lượng trên chính là điện năng chuyển hoá thành, như vậy điện năng tiêu thụ trên điện trở có giá trị A = 125400J.

Do đó ta suy ra công suất tiêu thụ trên điện trở: P=At=1254005.60=418W.

b) Cường độ dòng điện: I=PU=418220=1,9A.

Câu IV.21 trang 67 SBT Vật Lí 11: Hai điện trở R1 và R2 mắc nối tiếp thì điện trở tương đương lớn gấp 6,25 lần điện trở tương đương khi mắc song song. Tính tỉ số hai điện trở R1R2.

Lời giải:

Theo đầu bài ta có: R1+R2=6,25⋅R1R2R1+R2.

Đặt x=R1R2 qua một số biến đổi

R1+R22=6,25⋅R1R2⇔R12+2R1R2+R22=6,25R1R2⇔R1R2+2+R2R1=6,25⇔x+1x−4,25=0

Ta thu được phương trình x2-4,25x+1 = 0 .

Câu IV.22 trang 67 SBT Vật Lí 11: Cho một nguồn điện có suất điện động E và điện trở trong r. Nguồn điện được mắc với một điện trở R tạo thành mạch kín. Vẽ đồ thị phụ thuộc của hiệu suất nguồn điện vào cường độ dòng điện.

Lời giải:

Theo định nghĩa hiệu suất: H=PciPp=RI2EI=RIE=E−rIE⇒H=1−rEI.

Hình IV.1G. là đồ thị phụ thuộc của hiệu suất nguồn điện vào cường độ dòng điện chạy trong mạch.

Cho một nguồn điện có suất điện động E và điện trở trong r

Câu IV.23 trang 67 SBT Vật Lí 11: Một nguồn điện có điện trở trong 0,1Ω được mắc nối tiếp với điện trở R = 4,8Ω tạo thành mạch kín. Khi đó hiệu điện thế giữa hai cực của nguồn điện là 12V. Tính suất điện động của nguồn và cường độ dòng điện chạy trong mạch.

Lời giải:

Theo đầu bài ta có: UAB = E – Ir = 12V.

Mặt khác I=ER+r⇒12=E1−rR+r=E1−0,14,9⇒E=12,25V

Cường độ dòng điện trong mạch I=12,254,9=2,5A.

Câu IV.24 trang 67 SBT Vật Lí 11: Mạch kín gồm nguồn điện có suất điện động E = 24V, điện trở trong r = 0,5Ω và hai điện trở R1=10Ω;R2=50Ω mắc nối tiếp. Một vôn kế mắc song song với điện trở R2, chỉ giá trị 16V. Tìm điện trở của vôn kế.

Lời giải:

Điện trở mạch ngoài: R=R2RVR2+RV+R1.

Điện trở toàn mạch bằng R+r=R2RVR2+RV+R1+r.

Cường độ dòng điện trong mạch I=ER+r.

Số chỉ vôn kế UV=I⋅R2RVR2+RV.

Vậy ta có: 16=ER1+R2RVR2+RV+r⋅R2RVR2+RV.

Thay số ⇒RV=13,3Ω.

Câu IV.25 trang 67 SBT Vật Lí 11: Hai điện trở R1=2Ω,R2=6Ω mắc vào nguồn điện có suất điện động E và điện trở trong r. Khi R1,R2 mắc nối tiếp, cường độ dòng điện trong mạch chính I = 0,5A. Khi R1,R2 mắc song song, cường độ dòng điện trong mạch chính I‘ = 1,8A. Tìm giá trị của suất điện động E và điện trở trong r.

Lời giải:

– Khi R1 mắc nối tiếp với R2, điện trở toàn mạch là: R=R1+R2+r=8+r.

⇒I=ER=E8+r⇒0,5=E8+r(1)

Khi R1//R2, điện trở toàn mạch là: R‘=R1R2R1+R2+r=128+r=1,5+r

⇒I‘=ER‘=E1,5+r⇒1,8=E1,5+r(2)

Từ (1) và (2) ta suy ra: r=1Ω;E=4,5V.

Câu IV.26 trang 67 SBT Vật Lí 11: Hai điện trở R1=20Ω và điện trở R2 chưa biết giá trị được mắc nối tiếp với nhau và mắc vào hiệu điện điện thế U = 220V thì điện trở R2 tiêu thụ một công suất là P2=600W. Tính giá trị điện trở R2 biết rằng dòng điện chạy qua điện trở R2 có giá trị không lớn hơn 5A.

Lời giải:

Gọi I là dòng điện chạy qua đoạn mạch, ta có: P=P1+P2

UI=R1I2+R2I2

Thay các số liệu đầu bài cho, ta có: R1I2−UI+600=0⇔20I2−220I+600=0

Hai điện trở R1 = 20Ω và điện trở R2 chưa biết giá trị. Vì R1 mắc nối tiếp với R2 nên: I1=I2=I.

Theo đề bài I2≤5A⇒I2=5A⇒R2=PI22=60052=24Ω

Câu IV.27 trang 67 SBT Vật Lí 11: Từ một nguồn điện có hiệu điện thế U, điện năng được truyền qua dây dẫn tới nơi tiêu thụ. Biết điện trở dây dẫn là R = 5Ω, công suất của nguồn điện là P = 62kW. Tìm độ giảm thế trên dây, công suất hao phí và hiệu suất tải điện nếu:

a) U = 6200V.

b) U = 620V.

Lời giải:

a) ΔU=50V;ΔP=500W;H=P−ΔPP≈99,2%.

b) ΔU=500V;ΔP=50000W;H=P−ΔPP≈19,35%.

Câu IV.28 trang 67 SBT Vật Lí 11: Người ta dùng một ấm nhôm có khối lượng m1 = 0,4kg để đun một lượng nước m2 = 2kg thì sau 20 phút nước sẽ sôi. Bếp điện có hiệu suất H = 60% và được dùng ở mạng điện có hiệu điện thế U = 220V. Nhiệt độ ban đầu của nước là t1 = 20oC, nhiệt dung riêng của nhôm là c1 = 920 J/kg.K, của nước là c2 = 4200 J/kg.K. Tìm nhiệt lượng cần cung cấp cho ấm nước và cường độ dòng điện chạy qua bếp điện.

Lời giải:

Nhiệt lượng cần cung cấp cho ấm nước để đun sôi lượng nước đã cho là:

Q=c1m1+c2m2t2−t1=701440J.

Do hiệu suất của bếp nhỏ hơn 100% nên nhiệt lượng do bếp toả ra là:

Qbep=QH=1169066,7J

Mặt khác Qbep=UIt⇒I=QbepUt=4,4A

Xem thêm các bài giải SBT Vật Lí lớp 11 Kết nối tri thức hay, chi tiết khác:

Bài tập cuối chương 3

Bài 22: Cường độ dòng điện

Bài 23: Điện trở. Định luật Ôm

Bài 24: Nguồn điện

Bài 25: Năng lượng và công suất điện

Bài tập cuối chương 4

Tags : Tags Giải SBT Vật Lí 11
Share
facebookShare on Facebook

Bài liên quan

Giải SGK Vật lí 11 Bài 15 (Kết nối tri thức): Thực hành: Đo tốc độ truyền âm

Giải SBT Vật lí 11 Bài 6 (Kết nối tri thức): Dao động tắt dần. Dao động cưỡng bức. Hiện tượng cộng hưởng

Giải SBT Vật lí 11 Bài 23 (Kết nối tri thức): Điện trở. Định luật Ôm

20 câu Trắc nghiệm Động năng. Thế năng. Sự chuyển hoá năng lượng trong dao động điều hoà (Kết nối tri thức 2025) có đáp án – Vật lí lớp 11

20 câu Trắc nghiệm Điện trở. Định luật Ôm (Kết nối tri thức 2025) có đáp án – Vật lí lớp 11

Giải SGK Vật lí 11 Bài 16 (Kết nối tri thức): Lực tương tác giữa hai điện tích

Giải SBT Vật lí 11 (Kết nối tri thức) Bài tập cuối chương 1 trang 14

Giải SBT Vật lí 11 Bài 24 (Kết nối tri thức): Nguồn điện

0 Góp ý
Phản hồi nội tuyến
Xem tất cả bình luận

Mục lục

  1. Giải SGK Vật lí 11 Bài 1 (Kết nối tri thức): Dao động điều hòa
  2. Giải SGK Vật lí 11 Bài 2 (Kết nối tri thức): Mô tả dao động điều hoà
  3. Giải SGK Vật lí 11 Bài 3 (Kết nối tri thức): Vận tốc, gia tốc trong dao động điều hoà
  4. Giải SGK Vật lí 11 Bài 4 (Kết nối tri thức): Bài tập về dao động điều hoà
  5. Giải SGK Vật lí 11 Bài 5 (Kết nối tri thức): Động năng. Thế năng. Sự chuyển hóa năng lượng trong dao động điều hòa
  6. Giải SGK Vật lí 11 Bài 6 (Kết nối tri thức): Dao động tắt dần. Dao động cưỡng bức. Hiện tượng cộng hưởng
  7. Giải SGK Vật lí 11 Bài 7 (Kết nối tri thức): Bài tập về sự chuyển hóa năng lượng trong dao động điều hòa
  8. Giải SGK Vật lí 11 Bài 8 (Kết nối tri thức): Mô tả sóng
  9. Giải SGK Vật lí 11 Bài 9 (Kết nối tri thức): Sóng ngang. Sóng dọc. Sự truyền năng lượng của sóng cơ
  10. Giải SGK Vật lí 11 Bài 10 (Kết nối tri thức): Thực hành: Đo tần số của sóng âm
  11. Giải SGK Vật lí 11 Bài 11 (Kết nối tri thức): Sóng điện từ
  12. Giải SGK Vật lí 11 Bài 12 (Kết nối tri thức): Giao thoa sóng
  13. Giải SGK Vật lí 11 Bài 13 (Kết nối tri thức): Sóng dừng
  14. Giải SGK Vật lí 11 Bài 14 (Kết nối tri thức): Bài tập về sóng
  15. Giải SGK Vật lí 11 Bài 15 (Kết nối tri thức): Thực hành: Đo tốc độ truyền âm
  16. Giải SGK Vật lí 11 Bài 16 (Kết nối tri thức): Lực tương tác giữa hai điện tích
  17. Giải SGK Vật lí 11 Bài 17 (Kết nối tri thức): Khái niệm điện trường
  18. Giải SGK Vật lí 11 Bài 18 (Kết nối tri thức): Điện trường đều
  19. Giải SGK Vật lí 11 Bài 19 (Kết nối tri thức): Thế năng điện
  20. Giải SGK Vật lí 11 Bài 20 (Kết nối tri thức): Điện thế

Copyright © 2026 Học tập lớp 12 - Sách Toán - Học Tập AI
  • Sitemap
  • Chính sách
  • Giới thiệu
  • Hướng dẫn
  • Kết quả
  • Liên hệ
Back to Top
Menu
  • Sitemap
  • Chính sách
  • Giới thiệu
  • Hướng dẫn
  • Kết quả
  • Liên hệ
wpDiscuz