Skip to content

Học tập lớp 12

  • Trắc nghiệm Holland
  • Tính điểm xét tuyển
  • Danh sách trường Đại học
  • Kết quả bài thi

Học tập lớp 12

  • Home » 
  • Khoa học tự nhiên Lớp 9

Sách bài tập KHTN 9 Bài 12 (Kết nối tri thức): Đoạn mạch nối tiếp, song song

By Admin Lop12.com 17/02/2026 0

Giải SBT Khoa học tự nhiên 9 Bài 12: Đoạn mạch nối tiếp, song song

Bài 12.1 trang 33 Sách bài tập KHTN 9: Một mạch điện gồm hai điện trở 4 Ω và 6 Ω mắc nối tiếp, cường độ dòng điện chạy qua mạch là 0,2 A. Xác định hiệu điện thế giữa hai đầu mỗi điện trở.

Lời giải:

Vì mạch điện gồm hai điện trở mắc nối tiếp nên I = I1 = I2 = 0,2 A.

Hiệu điện thế giữa hai đầu điện trở R1 là: U1 = R1.I = 4 . 0,2 = 0,8 V.

Hiệu điện thế giữa hai đầu điện trở R2 là: U1 = R2.I = 6 . 0,2 = 1,2 V.

Bài 12.2 trang 33 Sách bài tập KHTN 9: Hai bóng đèn như nhau có hiệu điện thế định mức là 220 V, được mắc nối tiếp vào lưới điện hiệu điện thế là 220 V. Hiệu điện thế giữa hai đầu mỗi bóng đèn là bao nhiêu?

Lời giải:

Do hai bóng đèn giống nhau và được mắc nối tiếp vào nguồn điện có hiệu điện thế bằng đúng hiệu điện thế định mức của mỗi đèn nên hiệu điện thế giữa hai đầu mỗi bóng đèn sẽ bằng một nửa hiệu điện thế của nguồn điện.

Hiệu điện thế giữa hai đầu mỗi bóng đèn là:

U1 = U2 = U2=2202=110V.

Bài 12.3 trang 33 Sách bài tập KHTN 9: Hai đoạn dây dẫn có điện trở 5 kΩ và 1 kΩ, được mắc nối tiểp như Hình 12.1. Cường độ dòng điện trong mạch là 3 mA. Xác định số chỉ của vôn kế khi lẩn lượt mắc vào hai đầu A và C, A và B, B và C.

Hai đoạn dây dẫn có điện trở 5 kilo ohm và 1 kilo ohm , được mắc nối tiểp như Hình 12.1

Lời giải:

– Theo Hình 12.1, hai đầu A và C, 2 điện trở mắc nối tiếp nên: IAC = I = 3mA.

RAC = R1 + R2 = 5 + 1 = 6 kΩ

Vậy số chỉ của vôn kế khi lẩn lượt mắc vào hai đầu A và C là:

UAC = IAC.RAC = 3.10−3.6.103=18V.

– Theo Hình 12.1, hai đầu A và B, có điện trở R1 nên: IAB = I = 3mA.

Vậy số chỉ của vôn kế khi lẩn lượt mắc vào hai đầu A và B là:

UAB = IAB.R1 = 3.10−3.5.103=15V.

– Theo Hình 12.1, hai đầu B và C, có điện trở R2 nên: IBC = I = 3mA.

Vậy số chỉ của vôn kế khi lẩn lượt mắc vào hai đầu B và C là:

UBC = IBC.R2 = 3.10−3.1.103=3V.

Bài 12.4 trang 33 Sách bài tập KHTN 9: Ba điện trở R1 = 5 Ω, R2 = 8 Ω, R3 = 15 Ω được mắc vào mạch điện như Hình 12.2. Vôn kế chỉ 1,5 V. Xác định số chỉ của ampe kế và hiệu điện thế giữa hai điểm A và B.

Ba điện trở R1 = 5 ohm , R2 = 8 ohm , R3 = 15 ohm được mắc vào mạch điện như Hình 12.2

Lời giải:

Vôn kế chỉ 1,5 V, nghĩa là U2 = 1,5V

Suy ra I2=U2R2=1,58=0,1875A.

Theo Hình 12.2, ba điện trở mắc nối tiếp nên cường độ dòng điện qua các điện trở bằng nhau nên số chỉ của ampe kế là 0,1875A.

Điện trở tương đương của đoạn mạch AB là: Rtđ = R1 + R2 + R3 = 5 + 8 + 15 = 28 Ω

Vậy hiệu điện thế giữa hai điểm A và B là: U = I.Rtđ = 0,1875 . 28 = 5,25 V.

Bài 12.5 trang 33 Sách bài tập KHTN 9: Cho sơ đồ mạch điện như Hình 12.3. Hiệu điện thế giữa hai đầu bóng đèn là bao nhiêu nếu điện trở của đèn lớn gấp hai lần điện trở R? Biết số chỉ của vôn kế là 2 V.

Cho sơ đồ mạch điện như Hình 12.3, Hiệu điện thế giữa hai đầu bóng đèn là bao nhiêu

Lời giải:

Vì số chỉ của vôn kế là 2 V nên cường độ dòng điện qua điện trở R là: I=UR=2RA.

Nếu điện trở của đèn lớn gấp hai lần điện trở R thì Rđ = 2R Ω.

Do đèn và điện trở R mắc nối tiếp nên Iđ = I = 2RA.

Hiệu điện thế giữa hai đầu bóng đèn là Uđ = Iđ.Rđ = 2R.2R=4V.

Bài 12.6 trang 33 Sách bài tập KHTN 9: Cho sơ đồ mạch điện như Hình 12.4. Hiện tượng gì xảy ra khi gỡ một trong các bóng đèn khỏi mạch điện?

Cho sơ đồ mạch điện như Hình 12.4, Hiện tượng gì xảy ra khi gỡ một trong các bóng đèn khỏi mạch điện

Lời giải:

Hiện tượng xảy ra khi gỡ một trong các bóng đèn ra khỏi mạch điện:

– Nếu gỡ bóng đèn Đ1 thì bóng đèn Đ2 và Đ3 đều tắt.

– Nếu gỡ bóng đèn Đ2 hoặc bóng đèn Đ3 thì các bóng đèn còn lại vẫn sáng, nhưng tối hơn trước vì điện trở toàn mạch tăng lên.

Bài 12.7 trang 33 Sách bài tập KHTN 9: Cũng trên sơ đồ mạch điện ở Hình 12.4, hỏi phải đặt công tắc ở vị trí nào (A, B hay C) để khi ngắt công tắc thì bóng đèn Đ3 không sáng, còn bóng đèn Đ1 vẫn sáng?

Cũng trên sơ đồ mạch điện ở Hình 12.4, hỏi phải đặt công tắc ở vị trí nào A, B hay C

Lời giải:

Đặt công tắc ở vị trí A để khi ngắt công tắc thì bóng đèn Đ3 không sáng, còn bóng đèn Đ1 vẫn sáng.

Bài 12.8 trang 34 Sách bài tập KHTN 9: Có hai điện trở R1 = 0,5 Ω và R2 = 3 Ω được mắc vào mạch điện như Hình 12.5. Xác định số chỉ của ampe kế A1 nếu vôn kế chỉ 4 V.

Có hai điện trở R1 = 0,5 ohm và R2 = 3 ohm được mắc vào mạch điện như Hình 12.5

Lời giải:

Theo Hình 12.5, hai điện trở mắc song song nên điện trở tương đương của đoạn mạch là: Rtđ = R1.R2R1+R2=0,5.30,5+3=37Ω

Nếu vôn kế chỉ 4 V thì Itđ = URtd=437≈9,33A.

Theo Hình 12.5, Itđ = I1.

Vậy số chỉ của ampe kế A1 nếu vôn kế chỉ 4 V là I1≈9,33A.

Bài 12.9 trang 34 Sách bài tập KHTN 9: Có sơ đồ mạch điện như Hình 12.6. Ampe kế A chỉ 6 A, vôn kế V chỉ 220 V. Điện trở R1 = 100 Ω. Xác định giá trị R2 và số chỉ của các ampe kế A1, A2.

Có sơ đồ mạch điện như Hình 12.6, Ampe kế A chỉ 6 A, vôn kế V chỉ 220 V

Lời giải:

Ampe kế A chỉ 6 A, vôn kế V chỉ 220 V nên R = UI=2206=1103Ω.

Theo Hình 12.6 , hai điện trở mắc song song nên:

1R=1R1+1R2⇒R2=R.R1R1−R=1103.100100−1103=57,8Ω

I1=UR1=220100=2,2A.

I2=I−I1=6−2,2=3,8A.

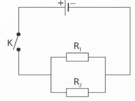
Bài 12.10 trang 34 Sách bài tập KHTN 9: Một đoạn mạch được mắc như Hình 12.7. Điện trở đoạn mạch AB là:

Một đoạn mạch được mắc như Hình 12.7 trang 34 SBT Khoa học tự nhiên 9

A. 10 Ω

B. 2,5 Ω

C. 4 Ω

D. 12 Ω

Lời giải:

Đáp án đúng là: C

Theo Hình 12.7, ta có:

R1∥R2: R12=R1.R2R1+R2=4.44+4=2Ω

R12 nt R3: RAB = R12 + R3 = 2 + 2 = 4 Ω

Vậy điện trở đoạn mạch AB là 4 Ω.

Lý thuyết Đoạn mạch nối tiếp, song song

I. Đoạn mạch nối tiếp

Điện trở tương đương của đoạn mạch là điện trở có thể thay thế các điện trở của đoạn mạch sao cho với cùng hiệu điện thế đặt vào hai đầu đoạn mạch thì cường độ dòng điện chạy qua đoạn mạch vẫn có giá trị như trước.

Lý thuyết KHTN 9 Kết nối tri thức Bài 12: Đoạn mạch nối tiếp, song song

Đặc điểm của đoạn mạch nối tiếp

– Điện trở tương đương của đoạn mạch gồm hai điện trở R1, R2 mắc nối tiếp:

Rtđ = R1 + R2

– Điện trở tương đương của đoạn mạch gồm n điện trở R1, R2, … Rn mắc nối tiếp:

Rtđ = R1 + R2 + … + Rn

– Cường độ dòng điện chạy trong đoạn mạch gồm hai điện trở mắc nối tiếp:

I = I1 = I2

– Cường độ dòng điện chạy trong đoạn mạch gồm n điện trở mắc nối tiếp:

I = I1 = I2 = … = In

– Hiệu điện thế của đoạn mạch gồm hai điện trở mắc nối tiếp:

U = U1 + U2

– Hiệu điện thế của đoạn mạch gồm n điện trở mắc nối tiếp:

U = U1 + U2 + … + Un

II. Đoạn mạch song song

Lý thuyết KHTN 9 Kết nối tri thức Bài 12: Đoạn mạch nối tiếp, song song

Đặc điểm của đoạn mạch song song

– Điện trở tương đương của đoạn mạch gồm hai điện trở R1, R2 mắc nối tiếp: 1Rtd=1R1+1R2

– Điện trở tương đương của đoạn mạch gồm n điện trở R1, R2, … Rn mắc nối tiếp: 1Rtd=1R1+1R2+…+1Rn

– Cường độ dòng điện chạy trong đoạn mạch gồm hai điện trở mắc nối tiếp:

I = I1 + I2

– Cường độ dòng điện chạy trong đoạn mạch gồm n điện trở mắc nối tiếp:

I = I1 + I2 + … + In

– Hiệu điện thế của đoạn mạch gồm hai điện trở mắc nối tiếp:

U = U1 = U2

– Hiệu điện thế của đoạn mạch gồm n điện trở mắc nối tiếp:

U = U1 = U2 = … = Un

Xem thêm các bài giải SBT Khoa học tự nhiên 9 Kết nối tri thức hay, chi tiết khác:

Bài 11: Điện trở. Định luật Ohm

Bài 12: Đoạn mạch nối tiếp, song song

Bài 13: Năng lượng của dòng diện và công suất điện

Bài 14: Cảm ứng điện từ. Nguyên tắc tạo ra dòng diện xoay chiều

Bài 15: Tác dụng của dòng diện xoay chiều

Bài 16: Vòng năng lượng trên Trái Đất. Năng lượng hoá thạch

Tags : Tags Giải SBT KHTN 9
Share
facebookShare on Facebook

Bài liên quan

Giải SGK Khoa học tự nhiên 9 Bài 15 (Kết nối tri thức): Tác dụng của dòng diện xoay chiều

Giải SGK Khoa học tự nhiên 9 Bài 30 (Kết nối tri thức): Tinh bột và cellulose

Giải SGK Khoa học tự nhiên 9 Bài 46 (Kết nối tri thức): Đột biến nhiễm sắc thể

Sách bài tập KHTN 9 Bài 13 (Kết nối tri thức): Năng lượng của dòng diện và công suất điện

Sách bài tập KHTN 9 Bài 29 (Kết nối tri thức): Carbohydrate. Glucose và saccharose

Sách bài tập KHTN 9 Bài 45 (Kết nối tri thức): Di truyền liên kết

Giải SGK Khoa học tự nhiên 9 Bài 16 (Kết nối tri thức): Vòng năng lượng trên Trái Đất. Năng lượng hoá thạch

Giải SGK Khoa học tự nhiên 9 Bài 31 (Kết nối tri thức): Protein

0 Góp ý
Phản hồi nội tuyến
Xem tất cả bình luận

Mục lục

  1. Giải SGK Khoa học tự nhiên 9 Bài 1 (Kết nối tri thức): Nhận biết một số dụng cụ, hoá chất. Thuyết trình một vấn đề khoa học
  2. Giải SGK Khoa học tự nhiên 9 Bài 2 (Kết nối tri thức): Động năng. Thế năng
  3. Giải SGK Khoa học tự nhiên 9 Bài 3 (Kết nối tri thức): Cơ năng
  4. Giải SGK Khoa học tự nhiên 9 Bài 4 (Kết nối tri thức): Công và công suất
  5. Giải SGK Khoa học tự nhiên 9 Bài 5 (Kết nối tri thức): Khúc xạ ánh sáng
  6. Giải SGK Khoa học tự nhiên 9 Bài 6 (Kết nối tri thức): Phản xạ toàn phần
  7. Giải SGK Khoa học tự nhiên 9 Bài 7 (Kết nối tri thức): Lăng kính
  8. Giải SGK Khoa học tự nhiên 9 Bài 8 (Kết nối tri thức): Thấu kính
  9. Giải SGK Khoa học tự nhiên 9 Bài 9 (Kết nối tri thức): Thực hành đo tiêu cự của thấu kính hội tụ
  10. Giải SGK Khoa học tự nhiên 9 Bài 10 (Kết nối tri thức): Kính lúp. Bài tập thấu kính
  11. Giải SGK Khoa học tự nhiên 9 Bài 11 (Kết nối tri thức): Điện trở. Định luật Ohm
  12. Giải SGK Khoa học tự nhiên 9 Bài 12 (Kết nối tri thức): Đoạn mạch nối tiếp, song song
  13. Giải SGK Khoa học tự nhiên 9 Bài 13 (Kết nối tri thức): Năng lượng của dòng diện và công suất điện
  14. Giải SGK Khoa học tự nhiên 9 Bài 14 (Kết nối tri thức): Cảm ứng điện từ. Nguyên tắc tạo ra dòng diện xoay chiều
  15. Giải SGK Khoa học tự nhiên 9 Bài 15 (Kết nối tri thức): Tác dụng của dòng diện xoay chiều
  16. Giải SGK Khoa học tự nhiên 9 Bài 16 (Kết nối tri thức): Vòng năng lượng trên Trái Đất. Năng lượng hoá thạch
  17. Giải SGK Khoa học tự nhiên 9 Bài 17 (Kết nối tri thức): Một số dạng năng lượng tái tạo
  18. Giải SGK Khoa học tự nhiên 9 Bài 18 (Kết nối tri thức): Tính chất chung của kim loại
  19. Giải SGK Khoa học tự nhiên 9 Bài 19 (Kết nối tri thức): Dãy hoạt động hoá học
  20. Giải SGK Khoa học tự nhiên 9 Bài 20 (Kết nối tri thức): Tách kim loại và việc sử dụng hợp kim

Copyright © 2026 Học tập lớp 12 - Sách Toán - Học Tập AI
  • Sitemap
  • Chính sách
  • Giới thiệu
  • Hướng dẫn
  • Kết quả
  • Liên hệ
Back to Top
Menu
  • Sitemap
  • Chính sách
  • Giới thiệu
  • Hướng dẫn
  • Kết quả
  • Liên hệ
wpDiscuz