Skip to content

Học tập lớp 12

  • Trắc nghiệm Holland
  • Tính điểm xét tuyển
  • Danh sách trường Đại học
  • Kết quả bài thi

Học tập lớp 12

  • Home » 
  • Khoa học tự nhiên Lớp 9

Sách bài tập KHTN 9 Bài 11 (Kết nối tri thức): Điện trở. Định luật Ohm

By Admin Lop12.com 17/02/2026 0

Giải SBT Khoa học tự nhiên 9 Bài 11: Điện trở. Định luật Ohm

Bài 11.1 trang 30 Sách bài tập KHTN 9: Một đoạn dây dẫn bằng đồng có chiều dài gấp hai lần chiều dài của đoạn dây dẫn bằng nhôm. Điện trở của đoạn dây đồng là R1 điện trở của đoạn dây nhôm là R2. So sánh R1 với R2, câu trả lời nào dưới đây là đúng?

A. R1 = 2R2.

B. R1 < 2R2.

C. R1 > 2R2.

D. Không đủ điều kiện để so sánh.

Lời giải:

Đáp án đúng là: D

Vì điện trở của dây dẫn còn phụ thuộc vào tiết diện dây dẫn do đó không đủ dữ kiện để so sánh.

Bài 11.2 trang 30 Sách bài tập KHTN 9: Điện trở của dây dẫn không phụ thuộc vào yếu tố nào dưới đây?

A. Vật liệu làm dây dẫn.

B. Khối lượng riêng của chất làm dây dẫn.

C. Chiều dài dây dẫn.

D. Tiết diện dây dẫn.

Lời giải:

Đáp án đúng là: B

Vì điện trở của dây dẫn phụ thuộc vào các yếu tố: vật liệu làm dây dẫn, chiều dài dây dẫn và tiết diện dây dẫn.

Bài 11.3 trang 30 Sách bài tập KHTN 9: Tính điện trở của đoạn dây dẫn bằng đồng nối từ cột điện vào công tơ điện của một gia đình có chiều dài là 50 m và tiết diện là 0,65 cm2.

Lời giải:

R=ρ.lS=1,7.10−8.500,65.10−4=0,013Ω.

Bài 11.4 trang 30 Sách bài tập KHTN 9: Tính điện trở của các đoạn dây dẫn trong các trường hợp dưới đây:

a) Dây dẫn làm bằng nhôm có chiều dài 80 cm và tiết diện là 0,2 mm2.

b) Dây dẫn làm bằng nikelin có chiều dài 400 cm và tiết diện là 0,5 mm2.

c) Dây dẫn làm bằng constantan có chiều dài 50 cm và tiết diện là 0,005 cm2.

Lời giải:

a) R=ρ.lS=2,8.10−8.80.10−20,2.10−6=0,112Ω.

b) R=ρ.lS=40.10−8.400.10−20,5.10−6=3,2Ω.

c) R=ρ.lS=50.10−8.50.10−20,005.10−4=0,5Ω.

Bài 11.5 trang 30 Sách bài tập KHTN 9: Để nghiên cứu sự phụ thuộc điện trở của dây dẫn vào vật liệu làm dây dẫn, người ta tiến hành thí nghiệm theo phương án nào dưới đây?

A. Các dây dẫn có kích thước khác nhau, nhưng được làm từ cùng một loại vật liệu.

B. Các dây dẫn có kích thước như nhau và được làm bằng cùng một loại vật liệu.

C. Các dây dẫn có kích thước khác nhau và được làm bằng các vật liệu khác nhau.

D. Các dây dẫn có kích thước như nhau và được làm bằng các vật liệu khác nhau.

Lời giải:

Đáp án đúng là: D

Để nghiên cứu sự phụ thuộc điện trở của dây dẫn vào vật liệu làm dây dẫn, người ta tiến hành thí nghiệm theo phương án: Các dây dẫn có kích thước như nhau và được làm bằng các vật liệu khác nhau.

Bài 11.6 trang 31 Sách bài tập KHTN 9: Có hai dây dẫn làm bằng cùng vật liệu. Dây thứ nhất có chiều dài gấp 8 lần và có tiết diện lớn gấp 2 lần dây dẫn thứ hai. Hỏi điện trở của dây dẫn thứ nhất lớn gấp mấy lần điện trở của dây dẫn thứ hai?

A. 8 lần.

B. 10 lần.

C. 4 lần.

D. 16 lần.

Lời giải:

Đáp án đúng là: C

Từ công thức: R=ρ.lS suy ra: R1R2=ρ.l1S1ρ.l2S2=l1S1.S2l2

Với l1=8l2;S1=2S2 thì R1R2=l1S1.S2l2=8l22S2.S2l2=4⇒R1=4R2

Bài 11.7 trang 31 Sách bài tập KHTN 9: Một dây cáp điện bằng đồng có lõi là 15 sợi dây đồng xoắn lại với nhau. Điện trở của mỗi sợi dây đồng này là 0,9 Ω. Tính điện trở của dây cáp điện này.

Lời giải:

Khi xoắn 15 sợi dây đồng lại với nhau, tức là tiết diện dây dẫn tăng lên 15 lần, do đó điện trở giảm 15 lần. Điện trở của cáp điện là: R=0,915=0,06Ω.

Bài 11.8 trang 31 Sách bài tập KHTN 9: Xác định điện trở của một biến trở làm bằng dây nikelin cuốn thành 150 vòng quanh một lõi sứ hình trụ. Biết đường kính của trụ sứ bằng 4 cm; đường kính của dây bằng 1 mm, điện trở suất của nikelin ρ= 4.10-7 Ωm.

Lời giải:

Bán kính trụ sứ bằng 42=2(cm).

Bán kính tiết diện của dây dẫn là: 12=0,5(mm).

Chiều dài dây dẫn bằng: l=2π.r.150=2.3,14.2.150=1884(cm)=18,84(m).

Tiết diện dây dẫn bằng: S=πr22=3,14.0,52=0,785(mm2)=0,785.10−6(m2).

Áp dụng công thức: R=ρ.lS=4.10−7.18,840,785.10−6=9,6Ω.

Bài 11.9 trang 31 Sách bài tập KHTN 9: Một dây đồng có tiết diện là 0,1 mm2 và khối lượng là 0,3 kg. Tính điện trở của dây. Biết điện trở suất của đồng là ρ = 1,7.10-8 Ωm, khối lượng riêng của đồng là 8,9 g/cm3.

Lời giải:

Chiều dài dây dẫn là: l=VS=D.VD.S=mDS=0,3.103.10−68,9.0,1.10−6=337,08(m)

Điện trở của dây là: R=ρ.lS=1,7.10−8.337,080,1.10−6=57,3Ω.

Bài 11.10 trang 31 Sách bài tập KHTN 9: Người ta dùng dây nikelin làm dây nung cho một bếp điện. Nếu dùng dây với đường kính tiết diện là 0,6 mm thì dây phải có độ dài là 2,88 m. Hỏi nếu không thay đổi điện trở của dây nung và vẫn dùng loại dây nikelin với đường kính tiết diện là 0,4 mm thì dây phải dài bao nhiêu?

Lời giải:

Bán kính của dây thứ nhất bằng: 0,62=0,3(mm)

Bán kính của dây thứ hai bằng: 0,42=0,2(mm)

Từ công thức: R=ρ.lS, nếu không thay đổi điện trở của dây nung và vẫn dùng loại dây nikelin thì ta có l2=l1S2S1=l1r22r12=2,88.0,22.10−60,32.10−6=1,28(m).

Bài 11.11 trang 31 Sách bài tập KHTN 9: Hiệu điện thế giữa hai đầu bàn là điện là 220 V, điện trở của dây nung nóng của bàn là là 50 Ω. Cường độ dòng điện chạy qua dây nung nóng của bàn là là bao nhiêu?

Lời giải:

Cường độ dòng điện chạy qua dây nung nóng của bàn là là:

I=UR=22050=4,4A.

Bài 11.12 trang 31 Sách bài tập KHTN 9: Cường độ dòng điện qua dây tóc bóng đèn là 0,7 A, điện trở của dây tóc bóng đèn là 310 Ω. Xác định hiệu điện thế giữa hai đầu bóng đèn.

Lời giải:

Hiệu điện thế giữa hai đầu bóng đèn là: U = I.R = 0,7 . 310 = 217 V.

Bài 11.13 trang 31 Sách bài tập KHTN 9: Một vôn kê có giá trị đo tối đa đến 150 V. Để dòng điện qua vôn kế không được vượt quá 0,01 A thì vôn kế phải có điện trở bằng bao nhiêu?

Lời giải:

Để dòng điện qua vôn kế không được vượt quá 0,01 A thì vôn kế phải có điện trở:

R≥UI=1500,01=15000Ω

Bài 11.14 trang 31 Sách bài tập KHTN 9: Hình 11.1 là đổ thị biểu diễn sự phụ thuộc của cường độ dòng điện qua một điện trở vào hiệu điện thế giữa hai đầu điện trở. Xác định giá trị điện trở.

Hình 11.1 là đổ thị biểu diễn sự phụ thuộc của cường độ dòng điện qua một điện trở vào hiệu điện thế

Lời giải:

Giá trị điện trở bằng: R=UI=82=4Ω

Bài 11.15 trang 32 Sách bài tập KHTN 9: Hình 11.2 là đồ thị biểu diễn sự phụ thuộc của cường độ dòng điện vào hiệu điện thế giữa hai đẩu của điện trở A và B. Điện trở nào có giá trị lớn hơn? Xác định giá trị mỗi điện trở.

Hình 11.2 là đồ thị biểu diễn sự phụ thuộc của cường độ dòng điện vào hiệu điện thế giữa hai đẩu của điện trở A

Lời giải:

Giá trị điện trở A bằng: RA=UI=63=2Ω

Giá trị điện trở B bằng: RB=UI=41=4Ω

Vậy điện trở B lớn hơn.

Bài 11.16 trang 32 Sách bài tập KHTN 9: Hãy vẽ đồ thị biểu diễn sự phụ thuộc của cường độ dòng điện vào giá trị điện trở của dây dẫn dựa trên bảng số liệu dưới đây.

Hãy vẽ đồ thị biểu diễn sự phụ thuộc của cường độ dòng điện vào giá trị điện trở của dây dẫn

Lời giải:

Ta có đồ thị sau:

Hãy vẽ đồ thị biểu diễn sự phụ thuộc của cường độ dòng điện vào giá trị điện trở của dây dẫn

Bài 11.17 trang 32 Sách bài tập KHTN 9: Tính cường độ dòng điện chạy trong dây dẫn làm bằng nikelin với chiều dài là 100 m và tiết diện là 0,5 mm2, nếu hiệu điện thế giữa hai đầu dây là 220 V.

Lời giải:

Áp dụng công thức: R=ρ.lS=40.10−8.1000,5.10−6=80Ω

Cường độ dòng điện chạy trong dây dẫn là: I=UR=22080=2,75A.

Bài 11.18 trang 32 Sách bài tập KHTN 9: Hình 11.3 là đồ thị biểu diễn sự phụ thuộc của cường độ dòng điện vào hiệu điện thế ứng với hai điện trở R1 và R2. Hãy rút ra kết luận về đặc điểm sự phụ thuộc giữa điện trở của dây dẫn và góc nghiêng của đồ thị.

Hình 11.3 là đồ thị biểu diễn sự phụ thuộc của cường độ dòng điện vào hiệu điện thế

Lời giải:

Giá trị điện trở R1 bằng: R1=UI=41,5=83Ω

Giá trị điện trở R2 bằng: R2=UI=61=6Ω

Trong đồ thị biểu diễn sự phụ thuộc của cường độ dòng điện I vào hiệu điện thế U, đường biểu diễn có góc nghiêng so với trục hoành nhỏ hơn ứng với điện trở có giá trị lớn hơn.

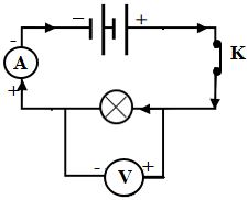
Bài 11.19 trang 32 Sách bài tập KHTN 9: Một vôn kế đo hiệu điện thế giữa hai đầu một bóng đèn sợi đốt, chỉ 120V, còn ampe kế đo cường độ dòng điện qua bóng đèn chỉ 0,08 A. Xác định điện trở của bóng đèn và vẽ sơ đồ mạch điện.

Lời giải:

Điện trở của bóng đèn là: R=UI=1200,08=1500Ω.

Học sinh vẽ sơ đồ mạch điện:

Một vôn kế đo hiệu điện thế giữa hai đầu một bóng đèn sợi đốt, chỉ 120V

Bài 11.20 trang 32 Sách bài tập KHTN 9: Một lò sưởi điện được đốt nóng bằng dây hợp kim có điện trở suất 1,1.10-6 Ωm, tiết diện dây đốt là 0,1 mm2. Khi hiệu điện thế giữa hai đầu lò sưởi là 220 V thì cường độ dòng điện qua lò sưới là 5 A. Xác định chiều dài của dây đốt.

Lời giải:

Điện trở của lò sưởi là: R=UI=2205=44Ω.

Chiều dài của dây đốt là: l=R.Sρ=44.0,1.10−61,1.10−6=4m.

Lý thuyết Điện trở. Định luật Ohm

I. Điện trở

– Điện trở có tác dụng cản trở dòng điện.

– Điện trở khác nhau có tác dụng cản trở dòng điện khác nhau.

Lý thuyết KHTN 9 Kết nối tri thức Bài 11: Điện trở. Định luật Ohm

II. Sự phụ thuộc của cường độ dòng điện vào hiệu điện thế

– Khi thay đổi hiệu điện thế giữa hai đầu vật dẫn thì cường độ dòng điện cũng thay đổi theo.

– Cường độ dòng điện chạy qua vật dẫn tỉ lệ thuận với hiệu điện thế giữa hai đầu vật dẫn.

Lý thuyết KHTN 9 Kết nối tri thức Bài 11: Điện trở. Định luật Ohm

2. Đồ thị biểu diễn sự phụ thuộc của cường độ dòng điện vào hiệu điện thế

– Là một đường thẳng đi qua gốc tọa độ

Lý thuyết KHTN 9 Kết nối tri thức Bài 11: Điện trở. Định luật Ohm

III. Định luật Ohm

1. Điện trở của đoạn dây dẫn

– Giá trị thương số UI không đổi đối với mỗi đoạn dây dẫn gọi là điện trở của đoạn dây dẫn đó (kí hiệu là R).

– Với các đoạn dây dẫn khác nhau, giá trị thương số R=UI khác nhau. Hiệu điện thế giữa hai đầu các đoạn dây dẫn như nhau, cường độ dòng điện chạy qua đoạn dây dẫn nào nhỏ hơn thì giá trị UI lớn hơn.

– Giá trị UI đặc trưng cho sự cản trở dòng điện đi qua đoạn dây dẫn.

2. Đơn vị điện trở

– Biểu thức tính điện trở: R=UI

– Đơn vị 1Ω=1V1A

+ 1mΩ=0,001Ω ; 1kΩ=1000Ω ; 1MΩ=1000000Ω

3. Định luật Ohm

Cường độ dòng điện chạy qua một đoạn dây dẫn tỉ lệ thuận với hiệu điện thế giữa hai đầu đoạn dây và tỉ lệ nghịch với điện trở của nó.

Biểu thức định luật Ohm: I=UR

IV. Điện trở của dây dẫn phụ thuộc vào kích thước và bản chất của dây dẫn

Điện trở của một đoạn dây dẫn tỉ lệ thuận với chiều dài của đoạn dây, tỉ lệ nghịch với tiết diện của dây và phụ thuộc vào bản chất của chất làm dây dẫn.

Biểu thức tính điện trở của một đoạn dây dẫn: R=ρlS

Trong đó: R là điện trở của đoạn dây dẫn, đơn vị đo là ôm Ω .

(đọc là rô) là điện trở suất của chất làm dây dẫn, đơn vị đo là ôm mét Ωm .

là chiều dài của đoạn dây dẫn, đơn vị đo là mét (m).

S là tiết diện của dây dẫn, đơn vị đo là mét vuông (m2).

Lý thuyết KHTN 9 Kết nối tri thức Bài 11: Điện trở. Định luật Ohm

Xem thêm các bài giải SBT Khoa học tự nhiên 9 Kết nối tri thức hay, chi tiết khác:

Bài 10: Kính lúp. Bài tập thấu kính

Bài 11: Điện trở. Định luật Ohm

Bài 12: Đoạn mạch nối tiếp, song song

Bài 13: Năng lượng của dòng diện và công suất điện

Bài 14: Cảm ứng điện từ. Nguyên tắc tạo ra dòng diện xoay chiều

Bài 15: Tác dụng của dòng diện xoay chiều

Tags : Tags Giải SBT KHTN 9
Share
facebookShare on Facebook

Bài liên quan

Giải SGK Khoa học tự nhiên 9 Bài 15 (Kết nối tri thức): Tác dụng của dòng diện xoay chiều

Giải SGK Khoa học tự nhiên 9 Bài 30 (Kết nối tri thức): Tinh bột và cellulose

Giải SGK Khoa học tự nhiên 9 Bài 46 (Kết nối tri thức): Đột biến nhiễm sắc thể

Sách bài tập KHTN 9 Bài 13 (Kết nối tri thức): Năng lượng của dòng diện và công suất điện

Sách bài tập KHTN 9 Bài 29 (Kết nối tri thức): Carbohydrate. Glucose và saccharose

Sách bài tập KHTN 9 Bài 45 (Kết nối tri thức): Di truyền liên kết

Giải SGK Khoa học tự nhiên 9 Bài 16 (Kết nối tri thức): Vòng năng lượng trên Trái Đất. Năng lượng hoá thạch

Giải SGK Khoa học tự nhiên 9 Bài 31 (Kết nối tri thức): Protein

0 Góp ý
Phản hồi nội tuyến
Xem tất cả bình luận

Mục lục

  1. Giải SGK Khoa học tự nhiên 9 Bài 1 (Kết nối tri thức): Nhận biết một số dụng cụ, hoá chất. Thuyết trình một vấn đề khoa học
  2. Giải SGK Khoa học tự nhiên 9 Bài 2 (Kết nối tri thức): Động năng. Thế năng
  3. Giải SGK Khoa học tự nhiên 9 Bài 3 (Kết nối tri thức): Cơ năng
  4. Giải SGK Khoa học tự nhiên 9 Bài 4 (Kết nối tri thức): Công và công suất
  5. Giải SGK Khoa học tự nhiên 9 Bài 5 (Kết nối tri thức): Khúc xạ ánh sáng
  6. Giải SGK Khoa học tự nhiên 9 Bài 6 (Kết nối tri thức): Phản xạ toàn phần
  7. Giải SGK Khoa học tự nhiên 9 Bài 7 (Kết nối tri thức): Lăng kính
  8. Giải SGK Khoa học tự nhiên 9 Bài 8 (Kết nối tri thức): Thấu kính
  9. Giải SGK Khoa học tự nhiên 9 Bài 9 (Kết nối tri thức): Thực hành đo tiêu cự của thấu kính hội tụ
  10. Giải SGK Khoa học tự nhiên 9 Bài 10 (Kết nối tri thức): Kính lúp. Bài tập thấu kính
  11. Giải SGK Khoa học tự nhiên 9 Bài 11 (Kết nối tri thức): Điện trở. Định luật Ohm
  12. Giải SGK Khoa học tự nhiên 9 Bài 12 (Kết nối tri thức): Đoạn mạch nối tiếp, song song
  13. Giải SGK Khoa học tự nhiên 9 Bài 13 (Kết nối tri thức): Năng lượng của dòng diện và công suất điện
  14. Giải SGK Khoa học tự nhiên 9 Bài 14 (Kết nối tri thức): Cảm ứng điện từ. Nguyên tắc tạo ra dòng diện xoay chiều
  15. Giải SGK Khoa học tự nhiên 9 Bài 15 (Kết nối tri thức): Tác dụng của dòng diện xoay chiều
  16. Giải SGK Khoa học tự nhiên 9 Bài 16 (Kết nối tri thức): Vòng năng lượng trên Trái Đất. Năng lượng hoá thạch
  17. Giải SGK Khoa học tự nhiên 9 Bài 17 (Kết nối tri thức): Một số dạng năng lượng tái tạo
  18. Giải SGK Khoa học tự nhiên 9 Bài 18 (Kết nối tri thức): Tính chất chung của kim loại
  19. Giải SGK Khoa học tự nhiên 9 Bài 19 (Kết nối tri thức): Dãy hoạt động hoá học
  20. Giải SGK Khoa học tự nhiên 9 Bài 20 (Kết nối tri thức): Tách kim loại và việc sử dụng hợp kim

Copyright © 2026 Học tập lớp 12 - Sách Toán - Học Tập AI
  • Sitemap
  • Chính sách
  • Giới thiệu
  • Hướng dẫn
  • Kết quả
  • Liên hệ
Back to Top
Menu
  • Sitemap
  • Chính sách
  • Giới thiệu
  • Hướng dẫn
  • Kết quả
  • Liên hệ
wpDiscuz